
| SWC SERIES DRIVESHAFTS | ||||||||||||||||
| General Data | Size | 100 | 120 | 150 | 180 | 225 | 250 | 285 | 315 | 350 | 390 | 440 | 490 | 550 | 620 | |
| Operating Torque (N.m) | 1,250 | 2,500 | 5,000 | 12,500 | 40,000 | 63,000 | 90,000 | 125,000 | 180,000 | 250,000 | 385,000 | 500,000 | 710,000 | 1,000,000 | ||
| Continuous Torque (N.m) | 630 | 1,250 | 2,500 | 6,300 | 20,000 | 31,500 | 45,000 | 63,000 | 90,000 | 125,000 | 180,000 | 250,000 | 355,000 | 500,000 | ||
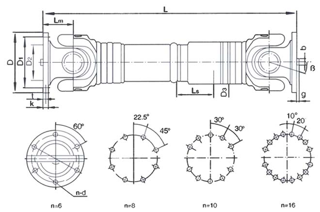
| β(о) | 25 | 25 | 25 | 25 | 15 | 15 | 15 | 15 | 15 | 15 | 15 | 15 | 15 | 15 | ||
| D1 | 84 | 102 | 130 | 155 | 196 | 218 | 245 | 280 | 310 | 345 | 390 | 435 | 492 | 555 | ||
| D2 | 57 | 75 | 90 | 105 | 135 | 150 | 170 | 185 | 210 | 235 | 255 | 275 | 320 | 380 | ||
| D3 | 60 | 70 | 89 | 114 | 152 | 168 | 194 | 219 | 267 | 267 | 325 | 325 | 426 | 426 | ||
| Lm | 55 | 65 | 80 | 110 | 120 | 140 | 160 | 180 | 194 | 215 | 260 | 270 | 305 | 340 | ||
| n-d | 6-9 | 8-11 | 8-13 | 8-17 | 8-17 | 8-19 | 8-21 | 10-23 | 10-23 | 10-25 | 16-28 | 16-31 | 16-31 | 10-38 | ||
| K | 7 | 8 | 10 | 17 | 20 | 25 | 27 | 32 | 35 | 40 | 42 | 47 | 50 | 55 | ||
| t | 2.5 | 2.5 | 3.0 | 5.0 | 5.0 | 6.0 | 7.0 | 8.0 | 8.0 | 8.0 | 10.0 | 12.0 | 12.0 | 12.0 | ||
| b | ─ | ─ | ─ | ─ | 32 | 40 | 40 | 40 | 50 | 70 | 80 | 90 | 100 | 100 | ||
| g | ─ | ─ | ─ | ─ | 9.0 | 12.5 | 15.0 | 15 | 16 | 18 | 20 | 22.5 | 22.5 | 25 | ||
| Bolt Size | M8 | M10 | M12 | M16 | M16 | M18 | M20 | M22 | M22 | M24 | M27 | M30 | M30 | M36 | ||
| Mounting Torque (N.m) | 45 | 78 | 180 | 270 | 270 | 372 | 526 | 710 | 710 | 906 | 1340 | 1820 | 1820 | 3170 | ||
| Type BH | L (mm) | 390 | 485 | 590 | 810 | 920 | 1035 | 1190 | 1315 | 1410 | 1590 | 1875 | 1985 | 2300 | ||
| Compensation Ls (mm) | 55 | 80 | 80 | 100 | 140 | 140 | 140 | 140 | 150 | 170 | 190 | 190 | 240 | |||
| Weight (Kg) | 6.1 | 10.8 | 24.5 | 70 | 122 | 172 | 263 | 382 | 582 | 738 | 1190 | 1452 | 2380 | |||
| Type BF | L (mm) | 810 | 920 | 1035 | 1190 | 1315 | 1410 | 1590 | 1875 | 1985 | 2300 | 2500 | ||||
| Compensation Ls (mm) | 100 | 140 | 140 | 140 | 140 | 150 | 170 | 190 | 190 | 240 | 240 | |||||
| Weight (Kg) | 80 | 138 | 196 | 295 | 428 | 632 | 817 | 1290 | 1631 | 2567 | 3267 | |||||
| Type DH | L (mm) | 1 | 650 | 710 | 795 | 950 | 1070 | 1170 | 1300 | |||||||
| 2 | 600 | 640 | 735 | 880 | 980 | 1070 | 1200 | |||||||||
| 3 | 500 | |||||||||||||||
| Compensation Ls (mm) | 1 | 75 | 85 | 100 | 120 | 130 | 140 | 150 | ||||||||
| 2 | 55 | 70 | 70 | 80 | 90 | 90 | 90 | |||||||||
| 3 | 40 | |||||||||||||||
| Weight (Kg) | 1 | 58 | 95 | 148 | 229 | 346 | 558 | 655 | ||||||||
| 2 | 56 | 96 | 136 | 221 | 334 | 485 | 600 | |||||||||
| 3 | 52 | |||||||||||||||
| Type CH | L (mm) | 1 | 925 | 1020 | 1215 | 1475 | 1600 | 1715 | 1845 | 2110 | 2220 | 2585 | ||||
| 2 | 1425 | 1500 | 1615 | 1875 | 2000 | 2115 | 2245 | 2510 | 2620 | 3085 | ||||||
| Compensation Ls (mm) | 1 | 200 | 220 | 300 | 400 | 400 | 400 | 400 | 400 | 400 | 500 | |||||
| 2 | 700 | 700 | 700 | 800 | 800 | 800 | 800 | 800 | 800 | 1000 | ||||||
| Weight (Kg) | 1 | 74 | 132 | 190 | 300 | 434 | 672 | 817 | 1312 | 1554 | 2585 | |||||
| 2 | 104 | 182 | 235 | 358 | 514 | 823 | 964 | 1537 | 1779 | 3045 | ||||||
| Type WH | L (mm) | 480 | 520 | 620 | 720 | 805 | 875 | 955 | 1155 | 1205 | 1355 | |||||
| Weight (Kg) | 48 | 78 | 124 | 185 | 262 | 374 | 506 | 790 | 1014 | 1526 | ||||||
| Type WF | L (mm) | 560 | 610 | 715 | 810 | 915 | 980 | 1100 | 1290 | 1360 | 1510 | 1690 | ||||
| Weight (Kg) | 58 | 93 | 143 | 220 | 300 | 412 | 588 | 880 | 1173 | 1663 | 2332 | |||||
| Type WD | L (mm) | 440 | 480 | 560 | 640 | 720 | 776 | 860 | 1040 | 1080 | 1220 | 1360 | ||||
| Weight (Kg) | 52 | 82 | 127 | 189 | 270 | 370 | 524 | 798 | 1055 | 1524 | 2120 | |||||
| Note:(1) Missing version available upon request.. (2)Type BH, type GH and type WF's SWC620-1200 available upon request. | ||||||||||||||||
